
Measurement Certainty in Safety-Critical Level Applications
Introduction: Accuracy Is No Longer the Hardest Problem Why Predictable Behavior Matters More Than Accuracy. In safety-critical industrial environments, the...
Level Measuring Instruments
Home » Products » Level Measuring Instruments » Radar Level Gauges






Radar level gauge is a high-precision instrument for continuous level measurement of liquids, slurries, and chemicals in tanks and vessels. Designed for various industries, including chemical, oil & gas, water treatment, and power generation, it provides reliable, contactless measurement even under harsh conditions. With robust construction and explosion-proof options, it ensures long-term stability and accurate readings. Custom radar fuel level gauge and radar liquid level sensor options are available to meet specific application requirements.
Level Measuring Instruments Description
Radar Gauge For Level Measurement-Features
Compact antenna design for easy installation and maintenance; non-contact measurement ensures no wear or contamination.
Resistant to corrosion, bubbles, dust, and vapor; performance is stable under temperature and pressure changes.
High-frequency radar with short wavelength provides accurate reflection even from inclined or low-dielectric surfaces.
Narrow beam angle concentrates energy, enhancing echo detection and minimizing interference.
High signal-to-noise ratio ensures precise measurement and reliable performance for fluctuating liquid or solid levels.
Suitable for measuring both liquids and solids, including low-dielectric materials, over a wide range of tank sizes.


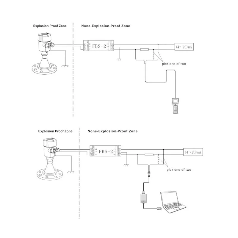
Radar Tank Level Gauge – Explosion Proof Connection
The intrinsic safety version (Exia IIc T6) features an aluminum die-cast housing with silicone rubber sealing to prevent sparks from circuit failures from escaping. It is suitable for continuous level measurement of flammable liquids under Exia IIc T6 conditions.
This instrument must be used with a safety barrier FBS-2, which serves as the power supply and ensures intrinsic safety. Key specifications of the barrier include:
Intrinsic safety: Exia IIC
Power supply voltage: 24V DC ± 5%
Short-circuit current: 135 mA
Operating current: 4–20 mA
Installation requirements:
All cables must be shielded; maximum length from barrier to sensor is 500 m.
Stray capacitance ≤ 0.1 μF/km, stray inductance ≤ 1 mH/km.
The instrument must be properly grounded.
Only approved associated devices may be used.
This design ensures reliable explosion-proof performance while maintaining precise radar tank level measurement under hazardous conditions.
Radar Level Gauges – Working Principle
1. Space Propagation Radar (Non-contact Radar)
This type of radar level gauge emits microwave pulses from an antenna mounted above the tank toward the liquid surface. The pulses are reflected back to the antenna, and the travel time is measured to calculate the level. Non-contact radar is ideal for applications where the medium is corrosive, abrasive, or has high temperature or pressure. It is not affected by vapor, foam, or dust, making it suitable for a wide range of liquids and slurries.
2. Process Propagation Radar (Guided-wave Radar)
Guided-wave radar (GWR) uses a probe—such as a rod, cable, or coaxial waveguide—immersed in the medium to guide microwave pulses along its length. The pulse travels down the probe, reflects off the medium surface, and returns to the transmitter. GWR is highly precise and suitable for interfaces, low-dielectric liquids, and applications with limited space or turbulent surfaces. It is less sensitive to tank shape, vapor, or foam than non-contact radar.


Application of Radar Level Measurement
Radar level gauges are high-precision, non-contact instruments ideal for continuous level measurement of a wide range of liquid media, including water, industrial wastewater, hydrochloric acid, nitric acid, sulfuric acid, acidic and alkaline solutions, cement slurry, lime slurry, and various food slurries.
These instruments are widely applied across multiple industries, such as chemical processing, petroleum, water treatment, environmental protection, building materials, food and beverage, and pharmaceuticals, providing reliable, accurate, and maintenance-free level monitoring in both harsh and standard environments.
Level Measuring Instruments Parameter
| Application | LPG (liquefied petroleum gas), Solid Particles, Powder |
| Measuring Range | 0-60m/0-120m |
| Connection | Flange and Threaded Connection(Customize Available) |
| Operation Temperature | -40℃ ~ 250℃(Special requirements can be customized) |
| Process Pressure | -0.1 ~ 2.0MPa (Flat flange) |
| Protective Class | IP67 |
| Signal Output | 4-20mA/HART (Two-wire / Four)RS485/ Modbus |
| Power Supply | 2-wire(DC24V)/ 4-wire(DC24V /AC220V) |
| Outer Covering | Aluminum / Plastic / Stainless Steel |
| Display | Four-digit LCD, Programmable |
| Power Supply Voltage | Standard type: 16–26V DC (two-wire system) |
| Intrinsically safe type: 21.6–26.4 VDC | |
| Explosion-proof type: 22.8–26.4 VDC | |
| Four-wire system: 198–242 V AC, 110V AC | |
| Integration time | adjustable from 0 to 36 seconds |
Instrava OEM/ODM
We offer fully customizable radar level gauges tailored to your specific requirements. Options include adjustable measuring ranges, antenna types, frequency selection, explosion-proof configurations, and communication outputs such as 4–20 mA, HART, or Modbus.
Our team can design solutions for unique tank shapes, extreme temperatures, corrosive or abrasive media, and specialized industrial environments. OEM and ODM services also cover branding, labeling, and design modifications, ensuring each radar level sensor delivers precise, reliable performance and meets your operational and safety standards.

A radar level gauge is a non-contact level measurement device that uses microwave signals to continuously measure liquid or solid levels with high accuracy, even in extreme industrial conditions.
From a manufacturer’s perspective, radar level gauges are recommended because they:
Deliver ±1–3 mm accuracy
Are unaffected by temperature, pressure, vapor, or dust
Require minimal maintenance due to no mechanical contact
Support long service life (10–15 years) in harsh environments
They are a core solution for industries requiring stable, long-term level measurement.
Radar level gauges are widely used in oil, chemical, and pharmaceutical plants because they provide safe, reliable, and contamination-free measurement.
Key benefits by industry:
Oil & Gas: Accurate tank gauging for crude oil, fuel, and LPG under high pressure
Chemical: Resistant to corrosive media, solvents, and aggressive vapors
Pharmaceutical: Non-contact measurement meets GMP and hygiene requirements
As a manufacturer, we design radar level gauges with PTFE, stainless steel (316L) wetted parts and ATEX / IECEx certifications to meet these industry standards.
An 80 GHz radar level gauge improves accuracy by using a narrow beam angle (as low as 3°), allowing precise measurement in narrow tanks and vessels with internal structures.
Technical advantages:
Better signal focusing
Reduced false echoes
Stable readings in foam, vapor, and turbulence
This makes 80 GHz radar ideal for pharmaceutical reactors, chemical vessels, and high-density storage tanks.
Yes. Radar level gauges are highly suitable for energy, power, and HVAC systems where reliability and continuous operation are critical.
Typical applications include:
Power plants: Boiler feedwater tanks, condensate tanks
Energy storage: Fuel oil and cooling water systems
HVAC systems: Chilled water tanks, thermal storage tanks
Our radar level gauges support continuous 24/7 operation, with output options such as 4–20 mA, HART, Modbus, ensuring easy integration with DCS and BMS systems.
Radar level gauges are designed to perform reliably in high-vibration and harsh outdoor environments, making them suitable for:
Marine & Shipping: Ballast water tanks, fuel tanks, cargo tanks
Automotive Industry: Chemical storage, coolant tanks, paint process systems
Mining & Environmental: Slurry tanks, tailings ponds, dust-heavy silos
With IP67/IP68 protection and rugged antenna designs, our radar level gauges maintain stable signals even under shock, vibration, and dust exposure.
When selecting a radar level gauge, manufacturers recommend evaluating:
Process medium: Liquid, solid, slurry, or foam
Operating conditions: Temperature, pressure, corrosion
Radar frequency: 26 GHz vs 80 GHz
Industry certifications: ATEX, IECEx, FDA, GMP (if applicable)
Communication protocol: 4–20 mA, HART, Modbus, Profibus
Choosing the correct configuration ensures measurement stability, compliance, and long-term cost efficiency.
By choosing Instrava, you gain a partner with a deep understanding of industrial applications and the expertise to meet today’s operational challenges.
Our role extends beyond products—we support your success through dependable solutions and long-term commitment.
Innovation at Instrava is guided by real industrial requirements. We continuously refine our technologies to address evolving operational challenges, ensuring practical and reliable performance in demanding environments.
We provide engineering-level customization to match specific process conditions. From measurement range and materials to output signals and installation options, our solutions are configured to fit real applications.
Quality and reliability are fundamental to every Instrava product. Manufactured under strict quality control and thoroughly tested, our instruments deliver accurate, stable, and long-term performance.
Instrava combines global engineering expertise with responsive local support, ensuring our partners benefit from internationally aligned technology and timely regional service.
Our broad portfolio of measurement and control instruments enables us to address a wide range of industrial needs, providing integrated solutions from a single, reliable source.
We work closely with our partners from technical consultation to after-sales support. Our focus is on delivering solutions that create lasting value and support long-term operational success.
Introduction: Accuracy Is No Longer the Hardest Problem Why Predictable Behavior Matters More Than Accuracy. In safety-critical industrial environments, the...
When selecting a visual level measurement solution, engineers and procurement teams are often presented with two seemingly simple options: glass...
Why Boiler Systems Still Depend on the Glass Tube Level Gauge In boiler operations, water level visibility is not just...